Home
About Us
Who are we
Our Team
Factory Show
Our Service
Products
For Car
- Flexible Disc
- Center Bearing
- Universal Joint
- Propshaft Boot
For Agricultural
- Flexible Disc
For Industry
- Flexible Disc
Download Catalogue
WHAT'S NEW
Video
Contact Us
0
Home
About Us
Who are we
Our Team
Factory Show
Our Service
Products
For Car
For Agricultural
For Industry
Download Catalogue
Product Search
WHAT'S NEW
Video
Contact Us
For Car
Flexible Disc
Center Bearing Support
Universal Joint
Propshaft Boot
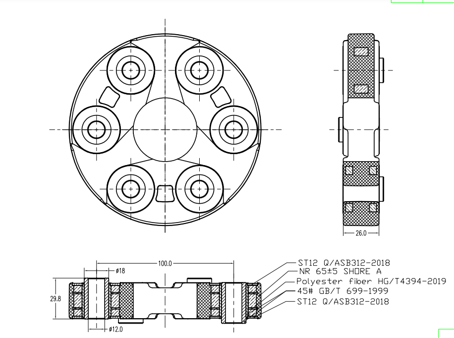
OE NO:
SHAFTWARE NO:
2010002
SGF NO:
GAD 135
FEBI NO:
03644
PCD:
100
Make:
Mercedes Benz
Vehicle Model:
Inquiry Basket
Product Description